面价

现价
首页> 全部产品 > 变送器> 光电开关> GDJ系列光电传感器 色标光电头 光电检测传感器

GDJ系列光电传感器 色标光电头 光电检测传感器

  • 价  格:
    ¥1 起
  • 品  牌:
  • 服  务:
    由 联泰国际仪表官网 发货并提供售后服务。
    售前咨询电话:400-67-65758 | 0086-0510-8989 8777
  • 支付方式:
    款到发货 网上支付 银行转账
基本资料
  • 商品编号:1600-17J07-01
  • 外形尺寸:28*69 38*62
  • 商品重量:1 KG
  • 类型:光电检测传感器
  • 测量范围:软包装机、印刷机、食品机、纺织及造纸机
  • 资料下载:

 

联泰国际 上市品牌 导购须知
本产品详情数据由官网自动生成,与产品实际参数可能存在偏差,请以产品详情页面列表为准,特此提醒!!!联泰国际保留对产品外观及设计加以改进和改变的权利,无需事先通知。本网所售之产品均可为各位用户提供由联泰公司(品牌保障)开具的13%增值税专用发票(百元以上)或13%增值税专用电脑版普通发票,如需开票时要亲提供开票信息传真至:400-67-65758转3号键,进行信息核对确认,否则系默认为各位用户开具收据。对于订单产品数量多运费系统累加的或海外国际件及亲要指定快递的等,您拍下后一起提醒客服修改价格后付款哦,请谅解!!!其他问题可以直接联系客服,请各位用户慎拍哦。



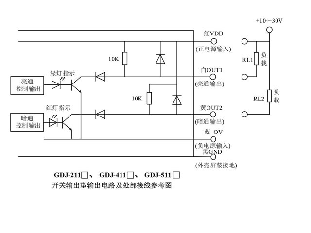
GDJ系列色标传感器(俗称光电头,光电眼)采用光发射接收原理,发出调制光,接收被测物体的反射光,并根据接收信号的强弱来区分不同的颜色,或判别物体的存在与否。在软包装机械、印刷机械、食品机械、纺织及造纸机械的自控系统中作为传感器与其它电路或装置配套使用、对印刷在某种颜色背景上的色标,或其它可作为标记的图案色块、线条,或物体的有无进行检测,可实现自动定位、定长、辨色、纠偏、对版、计数等功能。

本系统传感器综合光学技术、半导体光电子技术、调制解调技术,采用先进的SMT表面贴装工艺,具有灵敏度高,响应速度快,抗背景光干扰能力强,结构紧凑,使用方便等优点。

GDJ-411型是本公司根据用户要求开发的新品种,它特别适合于需要小型色标传感器的颗粒、液体、粉状、膏状物立式包装机及部分枕式包装机、制袋机。

  • 有很强的抗外界光学干扰和电磁干扰的性能。
  • 金属精密压铸外壳(150吨铸机),有良好的散热、电磁屏蔽和密封性。
  • 敏感度(灵敏度)调整有多圈、单圈电位器两种规格,可任用户选用。
  • 采用先进的光学镀膜技术,辨色能力强。并能很好的用于金箔、铝箔和透明薄膜的检测。
  • 有电极性接反保护和输出短路保护。
  • 采用先进的SMT工艺。

在软包装机械、印刷机械、食品机械、纺织及造纸机械的自控系统中作为传感器与其它电路或装置配套使用、对印刷在某种颜色背景上的色标,或其它可作为标记的图案色块、线条,或物体的有无进行检测,可实现自动定位、定长、辨色、纠偏、对版、计数等功能。适合于需要小型色标传感器的颗粒、液体、粉状、膏状物立式包装机及部分枕式包装机、制袋机。




正在加载中
友情连接: Baidu百度  淘宝网  阿里巴巴  联泰国际在线  联泰仪表淘宝旗舰  无锡联奏仪表  浙江联泰仪表  上海吉祥建材集团  AISET品牌旗舰  联泰仪表门户网