【联泰国际 上市品牌 导购须知】
◆ 本产品详情数据由官网自动生成,与产品实际参数可能存在偏差,请以产品详情页面列表为准,特此提醒!!!联泰国际保留对产品外观及设计加以改进和改变的权利,无需事先通知。本网所售之产品均可为各位用户提供由联泰公司(品牌保障)开具的13%增值税专用发票(百元以上)或13%增值税专用电脑版普通发票,如需开票时要亲提供开票信息传真至:400-67-65758转3号键,进行信息核对确认,否则系默认为各位用户开具收据。对于订单产品数量多运费系统累加的或海外国际件及亲要指定快递的等,您拍下后一起提醒客服修改价格后付款哦,请谅解!!!其他问题可以直接联系客服,请各位用户慎拍哦。

一、用途
由于本公司仪表采用超声波穿过空气,以非接触的方法测量。因此在粘污、腐蚀性液体情况下,比其他形式的仪表,具有更高的可靠性。
二、主要技术指标
|
功 能
|
分 体 型
|
|
测量范围
|
0.1升/秒~99999.99米 /小时
|
|
累计流量
|
4290000000.00米
|
|
液位测量精度
|
0.5%
|
|
分辨率
|
3mm或0.1%(取大者)
|
|
流量测量精度
|
1%~5%(试堰板类型和堰槽本身的精度而定)
|
|
显示
|
中文背光液晶:瞬时流量、累计流量、物位测量值、距离测量值、变送值、环境温度值、回波状态、报警显示、算法选择等。
|
|
模拟输出
|
4~20mA/750Ω负载
|
|
继电器输出
|
4组AC 250V/ 8A或DC 30V/ 5A 状态可编程
|
|
供电
|
220V AC+15% 50Hz
24VDC 120mA 可以定制12VDC供电
|
|
环境温度
|
显示仪表-20~+60℃,探头-20~+80℃
|
|
通信
|
485,232通信,MODBUS协议(可选)
|
|
防护等级
|
显示仪表IP65,探头IP68
|
|
探头电缆
|
可达100米,标配10米
|
|
探头安装
|
螺纹安装、法兰安装、支架安装、仪表箱安装等
|
备注:本系列超声波明渠流量计探头还可以根据客户需求定制:耐高压、耐高温、小口径、小盲区等特殊规格。
1、明渠流量计安装
◆分体型明渠流量计显示仪表外形图和尺寸图


流量计的仪表显示部分应安装在室内。室内要通风良好,无腐蚀性气体。仪表为壁挂安装。如室内条件不好或必须挂在室外,应装在仪表防护箱内,避免日晒雨淋。
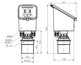
◆一体型超声波明渠流量计外形图和尺寸图

2、安装探头
超声波明渠流量计的探头可以直接安装在量水堰槽水位观测点的上方。探头发声的一面要对准水面。可以用水平尺放在探头上盖上,通过校上盖水平使探头对准水面。巴歇尔槽水位观测点在距喉道2/3收缩段长位置(如图8.4的La);三角堰、矩形堰在上游一侧,距堰板3~4倍最大过堰水深处。(如图5.2.1)


3.安装量水堰槽
①. 量水堰槽的中心线要与渠道的中心线重合,使水流进入量水堰槽不出现偏流。
②. 量水堰槽通水后,水的流态要
自由流。三角堰、矩形堰下游水位要低于堰坎(如下图);
巴歇尔槽的淹没度
要小于“巴歇尔槽参数”的临界淹没度(如下图)。
③. 量水堰槽的上游应有大于5倍渠道宽的平直段,使水流能平稳进入量水堰槽。即没有左右偏流,也没有渠道坡降形成的冲力。
④. 量水堰槽安装在渠道上要牢固。与渠道侧壁、渠底连结要紧密,不能漏水。使水流全部流经量水堰槽的计量部位。量水堰板的计量部位是堰口;量水槽的计量部位是槽内喉道段。



接线方法:
换能器:红线:接 Trans换能器 屏蔽线(黄色): GND 地线
蓝线: Temp+ 温度传感器+ 黑线: Temp - 温度传感器-
电流: 电流+ 接mA + 电流- 接GND
继电器:RLlnA 与RLnB为常闭 RLnA 与RLnC为常开
单探头时,n = 1,2
电源线:交流,接L,N
直流:24V+ 接24V+ ,GND接24V
◆一体型超声波明渠流量计接线端子示意图
24VDC、220VAC供电接线端子示意图:

24VDC供电接线端子
电流: 电流+ 接mA+; 电流- 接mA-
继电器:RLn+与RLn-为常开, n = 1,2
电源线:24V+ 接24VDC ,GND接GND
220V供电接线端子:
电流: 电流+ 接mA+; 电流- 接mA-
继电器:RLn+与RLn-为常开, n = 1,2
电源线:交流,接L, N
超声波明渠流量计与量水堰槽配合使用,测量明渠内水的流量。主要用于测量污水厂、企事业单位的污水排放口、城市下水道的流量及农田水利灌溉渠道等。

