【联泰国际 上市品牌 导购须知】
◆ 本产品详情数据由官网自动生成,与产品实际参数可能存在偏差,请以产品详情页面列表为准,特此提醒!!!联泰国际保留对产品外观及设计加以改进和改变的权利,无需事先通知。本网所售之产品均可为各位用户提供由联泰公司(品牌保障)开具的13%增值税专用发票(百元以上)或13%增值税专用电脑版普通发票,如需开票时要亲提供开票信息传真至:400-67-65758转3号键,进行信息核对确认,否则系默认为各位用户开具收据。对于订单产品数量多运费系统累加的或海外国际件及亲要指定快递的等,您拍下后一起提醒客服修改价格后付款哦,请谅解!!!其他问题可以直接联系客服,请各位用户慎拍哦。

N-6000列智能温控器是本公司根据用户要求而设计的具有自整定功能的智能型数字式温度控制器。该器表采用单片机,SMT表面贴装技术、自整定加模糊控制算法、电磁兼容性设计等先进的技术和工艺。该系列器表是取代国内量大面广的指针式电子调节器和模拟式数显表的理想产品。
采用大显示屏,插入深度70mm,面框尺寸符合IEC标准。
采用接线端子直接与线路板焊接的连接方式,仪表接线可靠。
采用SMT工艺,自整定加模糊控采用本企业自主专利权技术。
可广泛应用于石油、化工、冶金、电力、纺织、化纤、塑胶、烘箱各行业自动化设备、实验设备、制冷/制热等行业,适用于注塑、挤出、吹瓶、食品、包装、印刷、恒温干澡、金属热处理等设备的温度控制。
|
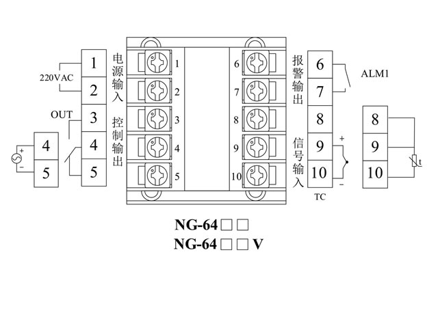
输入信号
|
热电偶: K、E、J
热电阻: Pt100
|
|
控制输出
|
触点型: 3A/ 250VAC(阻性负载)
电平型(驱动SSR或控制逻辑电路): 12V/30mA标准
过零脉冲输出: 幅度≥3V,宽度≥100μs(20Ω负载)
|
|
测量误差
|
≤±0.5% ;F.S ±1dig
|
|
报警输出
|
触点容量3A/ 250VAC(阻性负载)
|
|
控制方式
|
位式、位式PID、过零脉冲PID
|
|
电源
|
187~244VAC, 50Hz ± 1 Hz
|
|
P.I.D参数选择范围
|
比例范围P=0~400(P=0位式控制)
系列常数 Cr=0~999(Cr=0 Pd控制)
|
|
功率消耗
|
≤3VA
|
|
位式控制不灵敏区
|
Ar=0.4~100℃
|
|
抗干扰能力
|
≥3级(IEC-61000-4)
|
|
数据保持时间
|
10年
|
|
使用环境
|
温度0~50℃,相对湿度≤85%,无腐蚀,无导电尘埃
|












