面价

现价
首页> 全部产品 > 温度仪表> 数显调节仪> XWP-C10系列智能单回路数显控制仪

XWP-C10系列智能单回路数显控制仪

  • 价  格:
    ¥1 起
  • 品  牌:
  • 服  务:
    由 联泰国际仪表官网 发货并提供售后服务。
    售前咨询电话:400-67-65758 | 0086-0510-8989 8777
  • 支付方式:
    款到发货 网上支付 银行转账
基本资料
  • 商品编号:1895-17F08-26
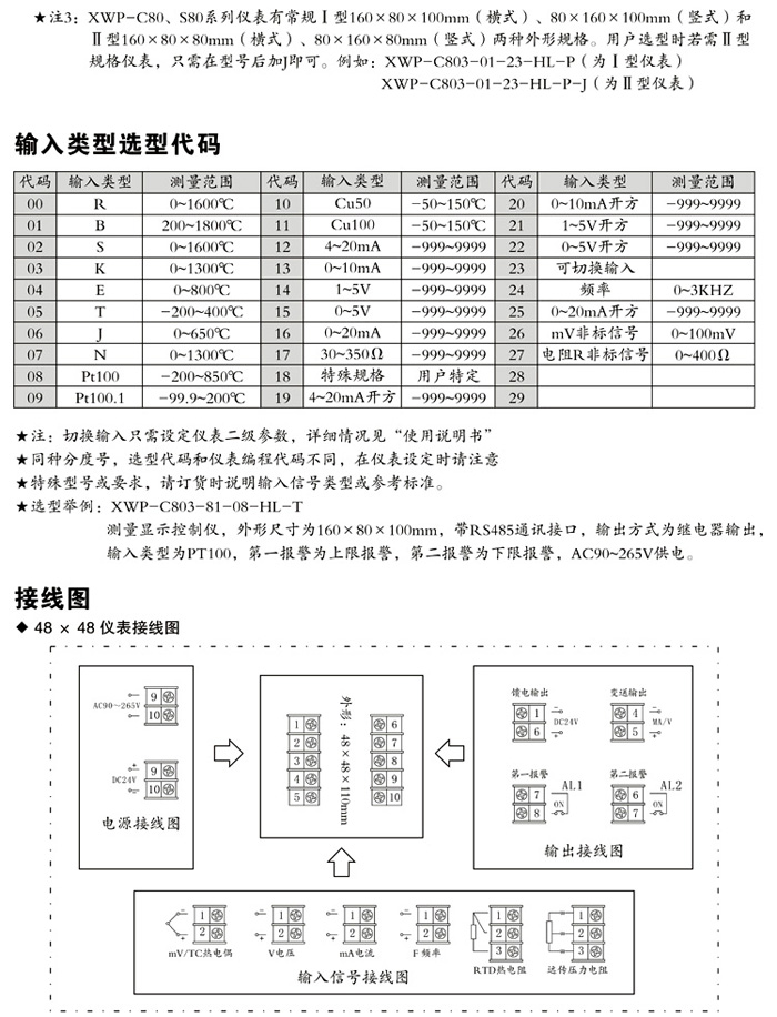
  • 外形尺寸:48*48*110MM
  • 商品重量:0 KG
  • 输入信号:万能信号
  • 测量精度:0.2% 0.5%
  • 资料下载:

 

联泰国际 上市品牌 导购须知
本产品详情数据由官网自动生成,与产品实际参数可能存在偏差,请以产品详情页面列表为准,特此提醒!!!联泰国际保留对产品外观及设计加以改进和改变的权利,无需事先通知。本网所售之产品均可为各位用户提供由联泰公司(品牌保障)开具的13%增值税专用发票(百元以上)或13%增值税专用电脑版普通发票,如需开票时要亲提供开票信息传真至:400-67-65758转3号键,进行信息核对确认,否则系默认为各位用户开具收据。对于订单产品数量多运费系统累加的或海外国际件及亲要指定快递的等,您拍下后一起提醒客服修改价格后付款哦,请谅解!!!其他问题可以直接联系客服,请各位用户慎拍哦。






正在加载中
友情连接: Baidu百度  淘宝网  阿里巴巴  联泰国际在线  联泰仪表淘宝旗舰  无锡联奏仪表  浙江联泰仪表  上海吉祥建材集团  AISET品牌旗舰  联泰仪表门户网